熱門關鍵詞:高速旋轉接頭
熱門關鍵詞:高速旋轉接頭
1、彎頭
2、尾蓋
3、殼體
4、外觀
5、軸承
6、彈簧
|
轉速 |
550RPM——1000RPM |
溫度 |
250℃/482°F——300℃/572°F |
|
壓力 |
10bar/145psi |
常用介質 |
導熱油 |
| BQ型 導熱油旋轉接頭的設計與功能-旋轉接頭廠家 |
|
BQ型 導熱油旋轉接頭的設計與安裝信息-騰旋科技 |
|
BQ型 導熱油旋轉接頭安裝說明-騰旋科技 |
|
BQ型 導熱油旋轉接頭維護計劃-騰旋科技 |
|
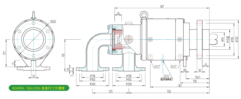
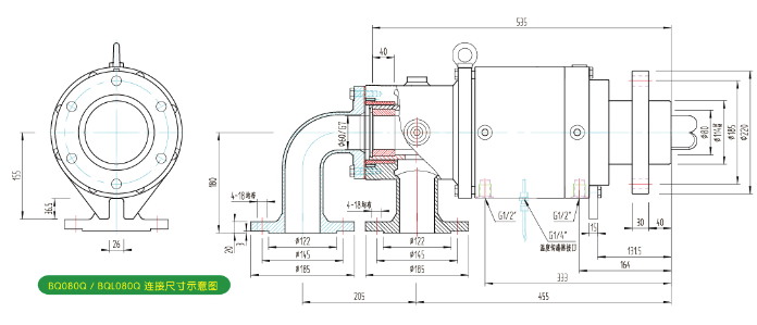
騰旋科技BQ型導熱油旋轉接頭外形尺寸 |
| 騰旋科技BQ型旋轉接頭零部件列表 |
|
BQ型高溫高速旋轉接頭特點簡述-騰旋科技 |
| BQ型高速高溫旋轉接頭結構示意圖-騰旋科技 |
擁有熱傳導、旋轉接頭研發中心;
現有員工400多名 專業技術人才達到50%以上 其中有兩名外國專家;
國內旋轉接頭行業研發中心,擁有300多項專利。
規范組織開展生產、銷售、服務。
騰旋科技擁有德國DMG和韓國DOOSAN多軸加工中心、數控車床100多臺及其它專業設備340余臺套。
完善的技術支持、快捷的售后服務、提供維護保養培訓;
提供現場指導安裝、調試服務;
提供配件及維修服務。


