產品介紹PRODUCT
多通路設計,適用于空氣和液壓油
硬化的不銹鋼轉子
精密球軸承終生不需潤滑獨特的不銹鋼轉子
殼體采用鋁合金或黃銅
專門為多工位旋轉工作臺設計
技術參數PARAMETERS
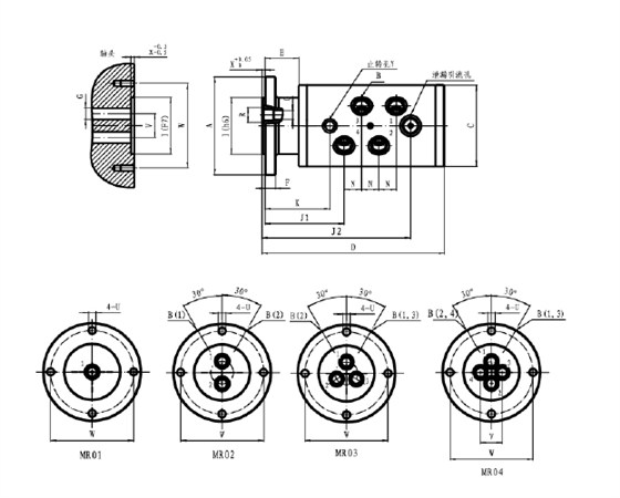
安裝尺寸表SIZE TABLE
型號表MODEL TABLE
相關資訊
Information


蒸汽冷凝水熱泵系統
蒸汽冷凝水多段通氣系統
蒸汽冷凝水系統